企業名稱:中國 - 昌旺
聯系人:薄經理
手機號碼:15903663076
15037198065 15238692228
固定電話:037164393352
傳真號:0371-64580820
微信號15238692228
QQ號:982964118
公司地址:鞏義市康店南河渡工業園區
網址:http://www.sarojlogistics.com
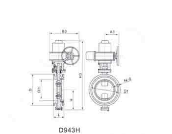
D943(H、F)-(6、10)C、P、R、V 系列法蘭式
公稱通徑DN | 外形尺寸 | 連接尺寸 | ||||||||||||||||
L | H | D343H | D643H | D943H | PN0.6MPa | PN1.0MPa | ||||||||||||
短 | 長 | H1 | A1 | B1 | H2 | A2 | B2 | H3 | A3 | B3 | D | D1 | Z-d | D | D1 | Z-d | ||
50 | 108 | 150 | 112 | 350 | 180 | 200 | 605 | 245 | 72 | 530 | 250 | 255 | 140 | 110 | 4-14 | 165 | 125 | 4-18 |
65 | 112 | 170 | 115 | 370 | 180 | 200 | 625 | 245 | 72 | 550 | 250 | 255 | 160 | 130 | 4-14 | 185 | 145 | 4-18 |
80 | 114 | 180 | 120 | 380 | 180 | 200 | 645 | 245 | 72 | 565 | 250 | 255 | 190 | 150 | 4-18 | 200 | 160 | 8-18 |
100 | 127 | 190 | 138 | 420 | 180 | 200 | 675 | 355 | 92 | 600 | 250 | 255 | 210 | 170 | 4-18 | 220 | 180 | 8-18 |
125 | 140 | 200 | 164 | 460 | 180 | 200 | 715 | 355 | 92 | 640 | 250 | 255 | 240 | 200 | 8-18 | 250 | 210 | 8-18 |
150 | 140 | 210 | 175 | 555 | 270 | 280 | 800 | 355 | 92 | 705 | 300 | 315 | 265 | 225 | 8-18 | 285 | 240 | 8-22 |
200 | 152 | 230 | 208 | 605 | 270 | 280 | 850 | 250 | 170 | 775 | 300 | 315 | 320 | 280 | 8-18 | 340 | 295 | 8-22 |
250 | 165 | 250 | 243 | 680 | 270 | 280 | 925 | 250 | 170 | 945 | 300 | 315 | 375 | 335 | 12-18 | 395 | 330 | 12-22 |
300 | 178 | 270 | 283 | 800 | 380 | 420 | 1035 | 450 | 220 | 1070 | 300 | 315 | 440 | 395 | 12-22 | 445 | 400 | 12-22 |
350 | 190 | 290 | 310 | 835 | 380 | 420 | 1070 | 450 | 220 | 1140 | 300 | 315 | 490 | 445 | 12-22 | 505 | 460 | 16-22 |
400 | 216 | 310 | 340 | 915 | 450 | 470 | 1190 | 450 | 280 | 1210 | 300 | 315 | 540 | 495 | 16-22 | 565 | 515 | 16-26 |
450 | 222 | 330 | 380 | 960 | 450 | 470 | 1250 | 650 | 280 | 1335 | 575 | 714 | 595 | 550 | 16-22 | 615 | 565 | 20-26 |
500 | 229 | 350 | 410 | 1020 | 480 | 490 | 1295 | 650 | 280 | 1415 | 575 | 714 | 645 | 600 | 20-22 | 670 | 620 | 20-26 |
600 | 267 | 390 | 470 | 1225 | 640 | 660 | 1455 | 850 | 380 | 1605 | 656 | 810 | 755 | 705 | 20-26 | 780 | 725 | 20-30 |
700 | 292 | 430 | 550 | 1355 | 640 | 660 | 1585 | 850 | 380 | 1844 | 656 | 810 | 860 | 810 | 24-26 | 895 | 840 | 24-30 |
800 | 318 | 470 | 640 | 1470 | 640 | 660 | 1700 | 1250 | 380 | 2040 | 656 | 810 | 975 | 920 | 24-30 | 1015 | 950 | 24-33 |
900 | 330 | 510 | 710 | 1545 | 850 | 900 | 1865 | 1250 | 380 | 2255 | 785 | 863 | 1075 | 1020 | 24-30 | 1115 | 1050 | 28-33 |
1000 | 410 | 550 | 770 | 1795 | 850 | 900 | 2015 | 1500 | 580 | 2380 | 785 | 863 | 1175 | 1120 | 28-30 | 1230 | 1160 | 28-36 |
1200 | 470 | 630 | 890 | 1965 | 850 | 900 | 2226 | 1500 | 580 | 2640 | 785 | 863 | 1405 | 1340 | 32-33 | 1455 | 1380 | 32-39 |
1400 | 530 | 710 | 920 | 2380 | 2886 | 1630 | 1560 | 36-33 | 1675 | 1590 | 36-42 | |||||||
1600 | 600 | 790 | 1085 | 2956 | 3156 | 1820 | 1760 | 40-33 | 1915 | 1850 | 40-54 | |||||||
1800 | 670 | 870 | 1230 | 3221 | 3421 | 2045 | 1970 | 44-42 | 2115 | 2020 | 44-54 | |||||||
2000 | 760 | 950 | 1350 | 3485 | 3685 | 2265 | 2180 | 48-48 | 2325 | 2230 | 44-54 |
公稱通徑DN | 外形尺寸 | 連接尺寸 | ||||||||||||||||
L | H | D343H | D643H | D943H | PN1.6MPa | PN2.5MPa | ||||||||||||
短 | 長 | H1 | A1 | B1 | H2 | A2 | B2 | H3 | A3 | B3 | D | D1 | Z-d | D | D1 | Z-d | ||
50 | 108 | 150 | 112 | 350 | 180 | 200 | 605 | 245 | 72 | 530 | 250 | 255 | 165 | 125 | 4-18 | 165 | 125 | 4-18 |
65 | 112 | 170 | 115 | 370 | 180 | 200 | 625 | 245 | 72 | 550 | 250 | 255 | 185 | 145 | 4-18 | 185 | 145 | 8-18 |
80 | 114 | 180 | 120 | 380 | 180 | 200 | 645 | 245 | 72 | 565 | 250 | 255 | 200 | 160 | 8-18 | 200 | 160 | 8-18 |
100 | 127 | 190 | 138 | 420 | 180 | 200 | 675 | 355 | 92 | 600 | 250 | 255 | 220 | 180 | 8-18 | 235 | 190 | 8-22 |
125 | 140 | 200 | 164 | 460 | 180 | 200 | 715 | 355 | 92 | 640 | 250 | 255 | 250 | 210 | 8-18 | 270 | 220 | 8-16 |
150 | 140 | 210 | 175 | 555 | 270 | 280 | 800 | 355 | 92 | 705 | 300 | 315 | 285 | 240 | 8-22 | 300 | 250 | 8-16 |
200 | 152 | 230 | 208 | 605 | 270 | 280 | 850 | 250 | 138 | 775 | 300 | 315 | 340 | 295 | 12-22 | 360 | 310 | 12-26 |
250 | 165 | 250 | 243 | 680 | 270 | 280 | 925 | 250 | 170 | 945 | 300 | 315 | 405 | 355 | 12-26 | 425 | 370 | 12-30 |
300 | 178 | 270 | 283 | 800 | 380 | 420 | 1035 | 450 | 170 | 1070 | 300 | 315 | 460 | 410 | 12-26 | 485 | 430 | 16-30 |
350 | 190 | 290 | 310 | 835 | 380 | 420 | 1070 | 450 | 220 | 1140 | 300 | 315 | 520 | 470 | 16-26 | 555 | 490 | 16-33 |
400 | 216 | 310 | 340 | 915 | 450 | 470 | 1190 | 450 | 220 | 1210 | 300 | 315 | 580 | 525 | 16-30 | 620 | 550 | 16-36 |
450 | 222 | 330 | 380 | 960 | 450 | 470 | 1250 | 650 | 280 | 1335 | 575 | 714 | 640 | 585 | 20-30 | 670 | 600 | 20-36 |
500 | 229 | 350 | 410 | 1020 | 480 | 490 | 1295 | 650 | 280 | 1415 | 575 | 714 | 710 | 650 | 20-33 | 730 | 660 | 20-36 |
600 | 267 | 390 | 470 | 1225 | 640 | 660 | 1455 | 850 | 380 | 1605 | 656 | 810 | 840 | 770 | 20-36 | 845 | 770 | 20-39 |
700 | 292 | 430 | 550 | 1355 | 640 | 660 | 1585 | 850 | 380 | 1844 | 656 | 810 | 910 | 840 | 24-36 | 960 | 875 | 24-42 |
800 | 318 | 470 | 640 | 1470 | 640 | 660 | 1700 | 1250 | 380 | 2040 | 656 | 810 | 1025 | 950 | 24-39 | 1085 | 990 | 24-48 |
900 | 330 | 510 | 710 | 1545 | 650 | 900 | 1865 | 1250 | 380 | 2255 | 785 | 863 | 1125 | 1050 | 28-39 | 1185 | 1090 | 28-48 |
1000 | 410 | 550 | 770 | 1795 | 650 | 900 | 2015 | 1500 | 380 | 2380 | 785 | 863 | 1255 | 1170 | 28-42 | 1320 | 1210 | 28-56 |
1200 | 470 | 630 | 890 | 1965 | 650 | 900 | 2640 | 785 | 863 | 1485 | 1390 | 32-48 | 1530 | 1420 | 32-56 | |||
1400 | 530 | 710 | 920 | 2380 | 2886 | 1685 | 1590 | 36-48 | 1755 | 1640 | 36-62 | |||||||
1600 | 600 | 790 | 1085 | 2956 | 3156 | 1930 | 1820 | 40-56 | 1975 | 1860 | 40-62 | |||||||
1800 | 670 | 870 | 1230 | 3221 | 3421 | 2130 | 2020 | 44-56 | 2195 | 2070 | 44-70 | |||||||
2000 | 760 | 950 | 1350 | 3485 | 3685 | 2325 | 2230 | 48-62 | 2425 | 2300 | 48-70 |